QSG-C4057

Product Features

Wall edge aluminum channel for single and double-layer gypsum ceilings.Made from high-quality anodized aluminum profiles, this product offers high strength, lightweight construction, corrosion resistance, and excellent thermal dissipation. By incorporating aprecisely designed gap, it creates asoft shadow effect, enhancing the visual perception of afloating and weightless ceiling.When paired with LED light strips, it delivers uniform wall-washing illumination without glare or hotspots, serving both edge finishing and optical control functions. Applied to modern minimalist ceilings, indirect lighting systems, and commercial space lighting.

Applicable Scenarios

Widely used in indoor, office, shopping malls, hotels and other spatial scenarios.

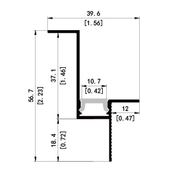
Dimensional Drawing
Product Composition